咨询热线0730-1234567
湖南省岳阳市岳阳国际企业港二期第2#号楼101本系列产品为电控永磁起重器,用于起吊单层钢板,需电源与控制器,单台或两台联吊可采用蓄电池式。
★ 安全可靠
电控永磁系统在吊运过程中不需要电能,无断电失磁危险,只靠永磁吸力吸附导磁钢件,而且恒定不变,不随时间的延长而衰减,有着极大的安全性;使用电能时,电控只起“开关”作用,实现吸料和放料功能。
★ 实用高效
电控永磁系统可靠耐用,实用性强。电控操作只有吸、放料按钮,操作简单。几台联吊吊运钢板时实现高度同步。
★ 节能经济
电控永磁系统只在转换磁路3-5秒内使用电能。
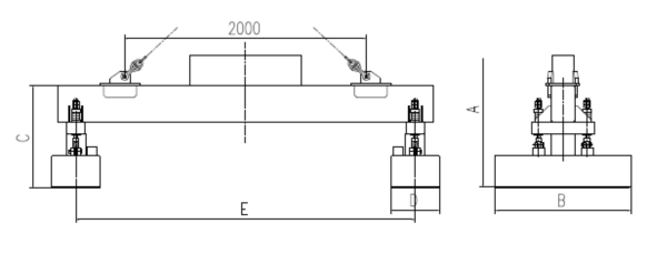
两台联吊
用于吊运单层板材,最长6米,

技术参数

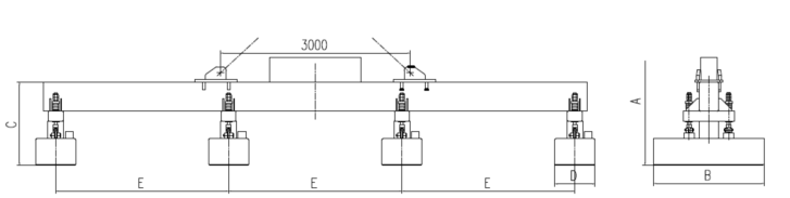
四台联吊
用于吊运单层板材,最长12米,

技术参数
